12 Information Processing & Technology

St Brendan's College
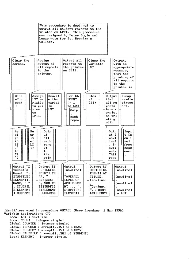
Interim Reporting System
Algorithms and Programming


You are to design an Interim Reporting System which will advise parents of students performance in a particular subject. The reports will be printed onto pre-printed stationery and will require data on student name, year level, subject, teacher, level of achievement, percent, attitude, conduct and progress.


HIGH SCHOOL Assignments © Lucas Wyte 1995 & 1996 are licensed under CC BY-SA 4.0